股票代码  003021
主页 > 微型传动电机应用 > 步进电机减速器产品技术参数

步进电机减速器产品技术参数

2018-12-19 04:32

步进电机减速器是一种运用广泛的减速设备,主要驱动结构由步进电机(驱动源)、齿轮箱(减速器)组装而成,具备减速、驱动效果;HJC黄金城官网机电专注于研发、设计、制造步进电机减速器,输出功率在50W以下,额定电压在24V以下,直径规格在38mm以下的小功率微型步进电机减速器产品,开按照客户需求定制开发服务。

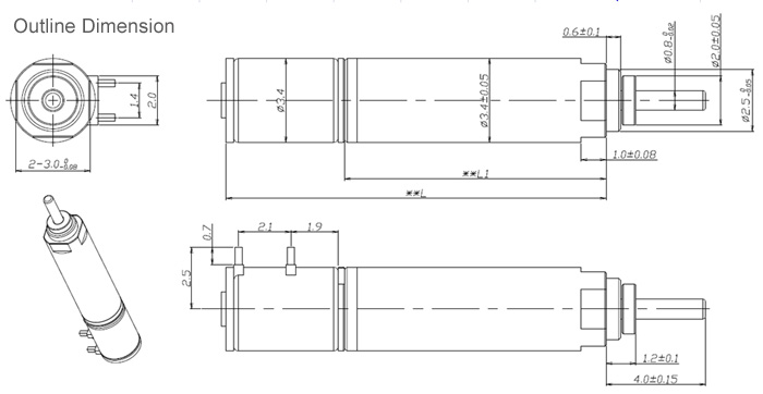
  步进电机减速器产品技术参数:
  产品分类:步进减速电机    
  产品型号:ZWBMD003003
  产品规格:Φ3.4MM产品
  电 压:3.0V
  空载电流:220 mA (可定制)
  负载转速:2.4-300 rpm(可定制)
  减速比:5/25/125/625:1(可定制)
  输出功率:0.5W-1W
  回转精度:可定制
  齿轮类型:可选择直齿轮、斜齿轮
  驱动噪音:低静音
  驱动电机:步进电机
  金属驱动轴:可定制D型轴、圆形轴、双扁轴、六边形轴、五边形轴、方形轴
  产品特点:规格小、噪音低、精度高、寿命长
  产品应用:自动机械驱动、机器人指关节驱动、手机摄像头、摄影等。

步进电机减速器
步进电机减速器

 步进电机减速器用途:
  步进电机减速器广泛运用在智能家居、机器人驱动、工业自动设备、精密仪表仪器、光学设备、电子产品等领域。

  >>>点击“步进电机应用”查看更多应用案例!

  生产厂家
  深圳市HJC黄金城官网机电股份有限公司成立于2001年4月是一家研发、生产齿轮驱动机构产品的企业,为客户提供齿轮箱、减速器驱动方案设计、零件模具设计和制造、零件生产和集成装配的定制开发服务。

HJC黄金城官网机电
HJC黄金城官网机电
相关产品/ RELATED
在线留言 MESSAGES



验证码:

  +  11  =  13

HJC黄金城官网 — 微型驱动系统制造商

专注于研发、生产精密驱动系统,为客户提供智能驱动方案设计,零件的生产与组装的定制化服务

立即咨询  >

粤ICP备11019966号     Copyright ? 2023  深圳市HJC黄金城官网机电股份有限公司  

粤ICP备11019966号
Copyright  2023  深圳市HJC黄金城官网机电股份有限公司

400-066-2287
服务热线


线

服务热线:400-066-2287
sitemap地图